173-061|カクダイ|【SALE】♭浴室用蛇口[壁][浴槽・洗い場兼用][サーモスタット付シャワーバス混合水栓][スパウト170mm][一般地]|リフォームネクスト

関西・関東・中部の住宅設備機器ならリフォームネクスト。
取付・取替工事も対応!
会員登録はこちら!→
メーカー名:カクダイ
品番:173-061
【SALE】♭浴室用蛇口[壁][浴槽・洗い場兼用][サーモスタット付シャワーバス混合水栓][スパウト170mm][一般地]
メーカー希望価格:46,000円(税別)のところを
69%OFF14,040円(税別) [15,444円(税込)]
ポイント:154Pt
商品説明
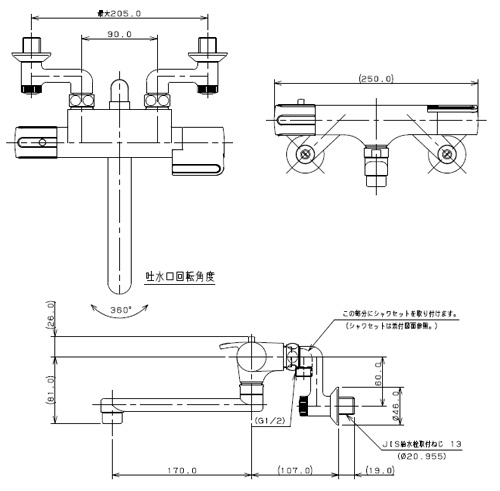
【規格・特徴】
・吐水口170mm
・取付穴ピッチ最大205mm
・逆止弁
・ほとんどのメーカーのシャワーフックにガタつくことなく取付けできるシャワーホース付き
・一般地仕様
【商品説明】
・スタンダードなサーモスタットシャワー混合栓
#