704-112-13|カクダイ|一般用蛇口[壁][単水栓][双口自在水栓][呼13][一般地・寒冷地共用]|リフォームネクスト

関西・関東・中部の住宅設備機器ならリフォームネクスト。
取付・取替工事も対応!
会員登録はこちら!→
メーカー名:カクダイ
品番:704-112-13
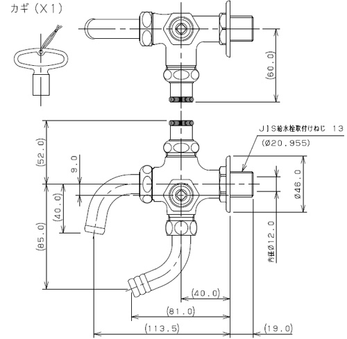
一般用蛇口[壁][単水栓][双口自在水栓][呼13][一般地・寒冷地共用]
メーカー希望価格:10,500円(税別)のところを
33%OFF6,961円(税別) [7,657円(税込)]
ポイント:76Pt
商品説明
【規格・特徴】
・固定コマ仕様
・共用栓カギ付
・一般地/寒冷地共用
【商品説明】
双口の壁付単水栓です。
散水ホースを使用する時、ホースを繋ぎなおさずに済みます。
#