7249-13|カクダイ|洗濯機用蛇口[台][単水栓][双口回転立水栓][ストッパー付][一般地]|リフォームネクスト

関西・関東・中部の住宅設備機器ならリフォームネクスト。
取付・取替工事も対応!
会員登録はこちら!→
メーカー名:カクダイ
品番:7249-13
洗濯機用蛇口[台][単水栓][双口回転立水栓][ストッパー付][一般地]
メーカー希望価格:19,500円(税別)のところを
33%OFF12,928円(税別) [14,220円(税込)]
ポイント:142Pt
商品説明
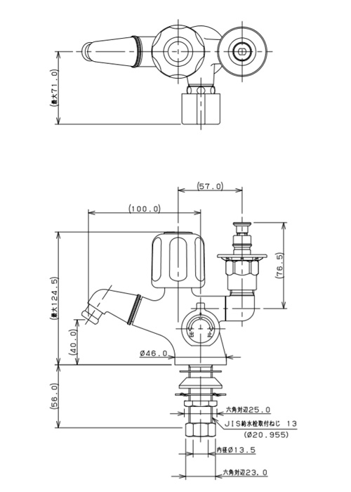
【規格・特徴】
・取付穴径:22〜27mm
・厚5〜35mm
・自動閉止機構付き
・逆止弁
※洗濯機を使用しない時は、万一の水漏れを防ぐため水栓を閉めてください。
※先端および洗濯機接続部は回転します。
#