LF-15MV-13|LIXIL|ユーティリティ用蛇口[壁][カップリング水栓][バキュームブレーカー付][一般地寒冷地共用]|リフォームネクスト

関西・関東・中部の住宅設備機器ならリフォームネクスト。
取付・取替工事も対応!
会員登録はこちら!→
メーカー名:LIXIL
品番:LF-15MV-13
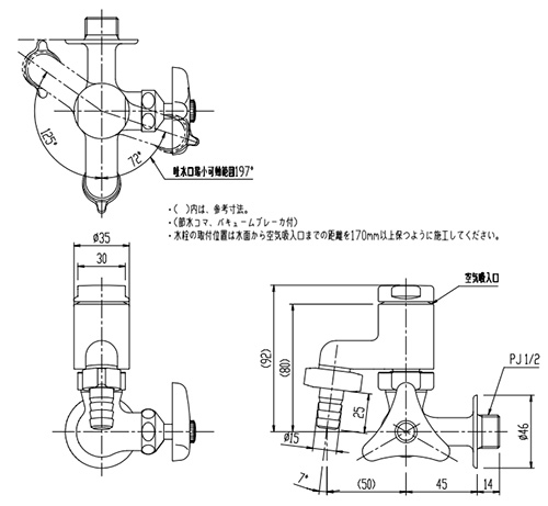
ユーティリティ用蛇口[壁][カップリング水栓][バキュームブレーカー付][一般地寒冷地共用]
メーカー希望価格:33,100円(税別)のところを
66%OFF11,187円(税別) [12,305円(税込)]
ポイント:123Pt
商品説明
【規格・特徴】
・単水栓
・カップリング水栓
・バキュームブレーカ付(真空)
・配管サイズ:呼び径13mm
・固定コマ
・一般地寒冷地共用
【商品説明】
バキュームブレーカにより、負圧による逆流を防止する仕様です。
カップリング水栓です。
#