UX-K250(D)|リンナイ|壁組込ボックス[下配管][I型][20号用][給湯器部材]|リフォームネクスト

関西・関東・中部の住宅設備機器ならリフォームネクスト。
取付・取替工事も対応!
会員登録はこちら!→
ホーム
>
給湯器
>
部材
>
部材
>
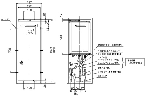
壁組込ボックス[下配管][I型][20号用][給湯器部材]

メーカー名:リンナイ
品番:UX-K250(D)
壁組込ボックス[下配管][I型][20号用][給湯器部材]
メーカー希望価格:47,000円(税別)のところを
19%OFF37,600円(税別) [41,360円(税込)]
ポイント:413Pt
商品説明
【規格・特徴】
・3型ボックス
・壁穴あけ寸法:1032×389
#